


* Produktu fotogrāfijas ir tikai noskatīšanai un var dažreiz atšķirties no priekšmeta reāla izskata. Bet galvenās īpašības ir vienādas.
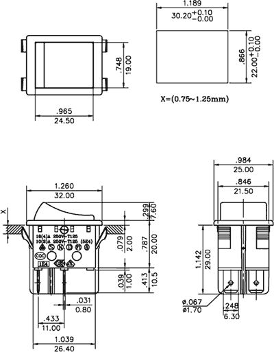
DPST
16A/250VAC
OFF-ON
2
IP00
2
Taustiņslēdzis
Ar fiksāciju
2
230VAC
SIA "Salvats", Gogola 14,
Riga, LV-1050