TCST2103 spraugas optopara 70V, 20%@10mA, 3.1mm
TCST2103 spraugas optopara 70V, 20%@10mA, 3.1mm
TCST2103 spraugas optopara 70V, 20%@10mA, 3.1mm TCST2103 spraugas optopara 70V, 20%@10mA, 3.1mm

* Produktu fotogrāfijas ir tikai noskatīšanai un var dažreiz atšķirties no priekšmeta reāla izskata. Bet galvenās īpašības ir vienādas.

TCST2103 spraugas optopara 70V, 20%@10mA, 3.1mm

Cena: 1.32 €
00019130
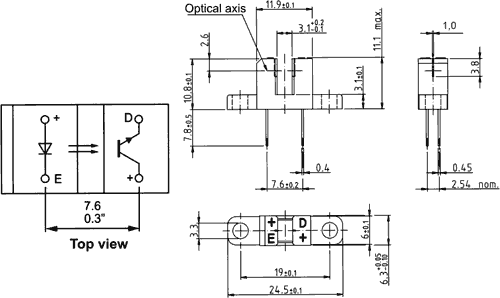
TCST2103
14
  • Apraksts

    • Manufacturer VISHAY
    • Type of sensor optocoupler
    • Slot width 3.1mm
    • Aperture width 1mm
    • Collector-emitter voltage 70V
    • CTR@If 20%@10mA
    • Kind of output transistor
    • Kind of optocoupler slotted with flag

    Parametri

    Papildu dokumentācija

Saistītie produkti