

* Produktu fotogrāfijas ir tikai noskatīšanai un var dažreiz atšķirties no priekšmeta reāla izskata. Bet galvenās īpašības ir vienādas.
3
Taisns
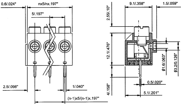
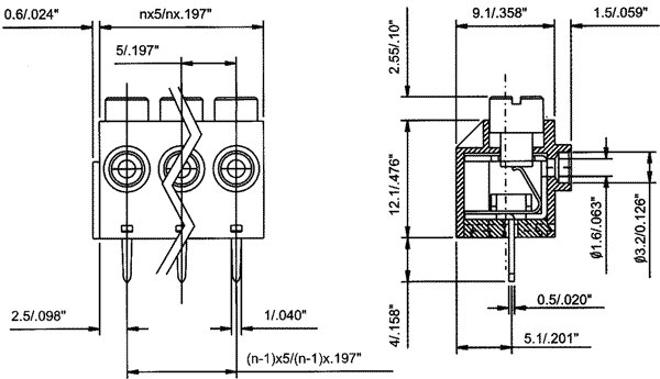
5.08mm
Aizspiednis kontakts PCB
Terminal blocks PCB
SIA "Salvats", Gogola 14,
Riga, LV-1050