


* Produktu fotogrāfijas ir tikai noskatīšanai un var dažreiz atšķirties no priekšmeta reāla izskata. Bet galvenās īpašības ir vienādas.
HONGFA RELAY
DC24V
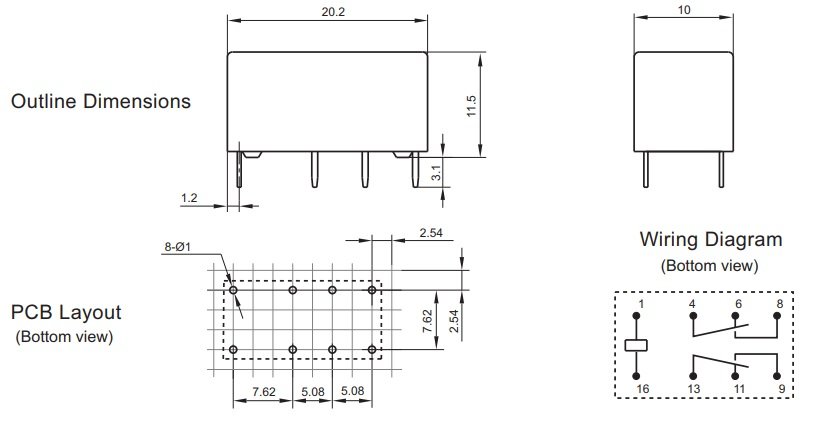
DPDT
uz pārslēgšanu
monostabilais
2
2x1A/125VAC
2x2A/30VDC
SIA "Salvats", Gogola 14,
Riga, LV-1050