


* Produktu fotogrāfijas ir tikai noskatīšanai un var dažreiz atšķirties no priekšmeta reāla izskata. Bet galvenās īpašības ir vienādas.
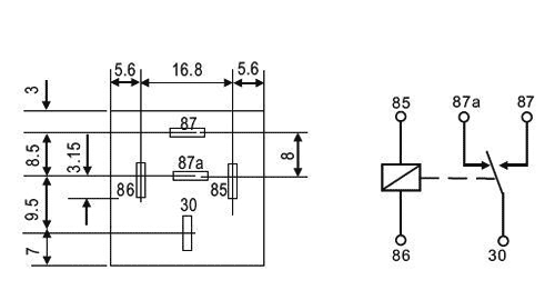
12VDC
SPDT
30A/12VDC
uz pārslēgšanu
1
RAYEX RAYEX ELECTRONICS
monostabilais
1
SIA "Salvats", Gogola 14,
Riga, LV-1050