


* Produktu fotogrāfijas ir tikai noskatīšanai un var dažreiz atšķirties no priekšmeta reāla izskata. Bet galvenās īpašības ir vienādas.
FINDER
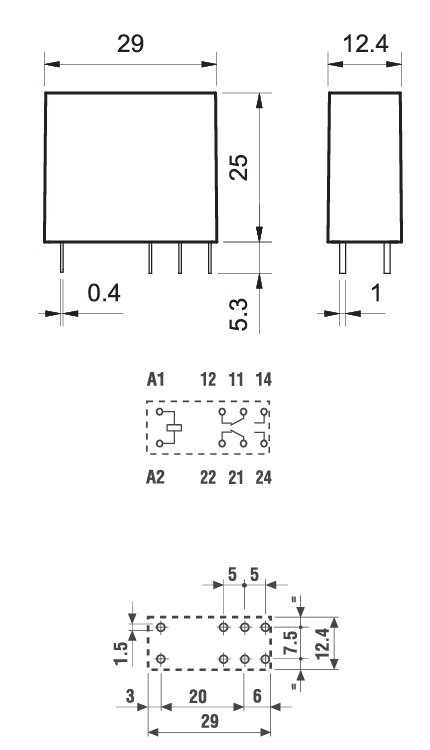
12VDC
DPDT
2x8A/250VAC
2x8A/30VDC
uz pārslēgšanu
2
monostabilais
1
SIA "Salvats", Gogola 14,
Riga, LV-1050