


* Produktu fotogrāfijas ir tikai noskatīšanai un var dažreiz atšķirties no priekšmeta reāla izskata. Bet galvenās īpašības ir vienādas.
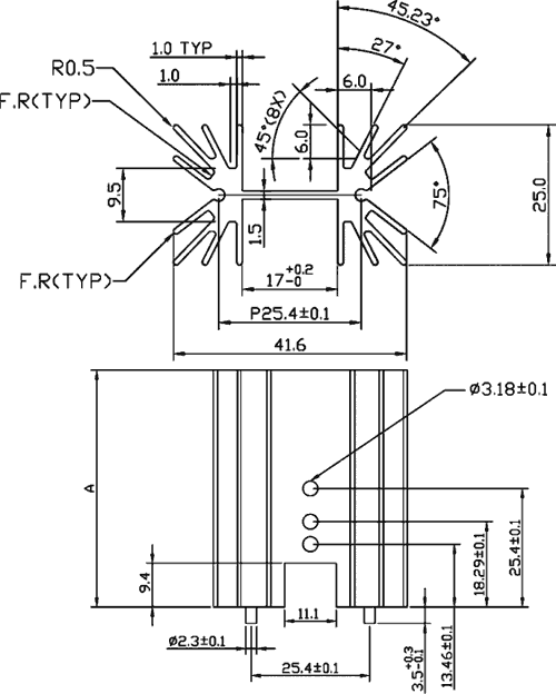
Radiators
Melna krasa
42x25x25mm
SIA "Salvats", Gogola 14,
Riga, LV-1050