Miniaturais slēdzis ar atslegu ON-OF, D=12mm, 125VAC/1A
Miniaturais slēdzis ar atslegu ON-OF, D=12mm, 125VAC/1A
Miniaturais slēdzis ar atslegu ON-OF, D=12mm, 125VAC/1A Miniaturais slēdzis ar atslegu ON-OF, D=12mm, 125VAC/1A

* Produktu fotogrāfijas ir tikai noskatīšanai un var dažreiz atšķirties no priekšmeta reāla izskata. Bet galvenās īpašības ir vienādas.

Miniaturais slēdzis ar atslegu ON-OF, D=12mm, 125VAC/1A

Cena: 3.11 €
00015825
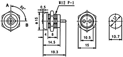
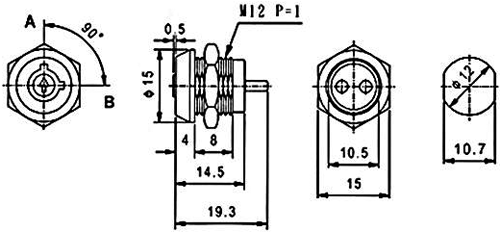
KS-38
2
  • Apraksts

    • Specification
    • Switch type key switch
    • Stable positions number 2-position
    • Switching method OFF-ON
    • Contacts configuration SPST
    • Poles number 1
    • Switches features the key can be removed at any position
    • Body material zinc alloy
    • Mounting hole diameter Ø;12mm
    • Number of positions 2
    • AC contacts rating
    • (at resistance load) 1 A / 125 VAC
    • Mechanical rotation angle 90°
    • Number of terminals 2

    Parametri

    Papildu dokumentācija

Saistītie produkti