

* Produktu fotogrāfijas ir tikai noskatīšanai un var dažreiz atšķirties no priekšmeta reāla izskata. Bet galvenās īpašības ir vienādas.
SPDT
5A/250VAC
ON-(ON)
IP40
Bez sviras
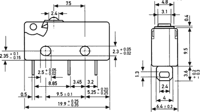
19.9x6.4x9.5mm
SIA "Salvats", Gogola 14,
Riga, LV-1050