

* Produktu fotogrāfijas ir tikai noskatīšanai un var dažreiz atšķirties no priekšmeta reāla izskata. Bet galvenās īpašības ir vienādas.
SPDT
10A/250VAC
ON-(ON)
IP40
Ar sviru
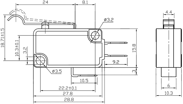
28x10.3x16mm
SIA "Salvats", Gogola 14,
Riga, LV-1050