


* Produktu fotogrāfijas ir tikai noskatīšanai un var dažreiz atšķirties no priekšmeta reāla izskata. Bet galvenās īpašības ir vienādas.
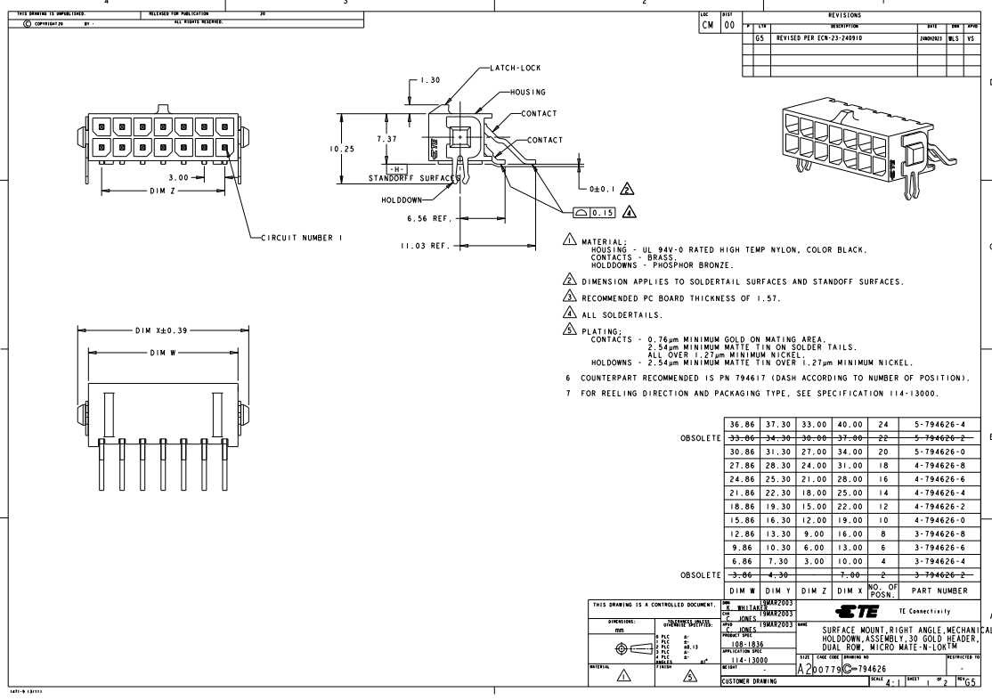
3mm
2x5
10
Leņķisks 90°
PCB
Micro-Fit 3.0
Ligzda
SIA "Salvats", Gogola 14,
Riga, LV-1050