

* Produktu fotogrāfijas ir tikai noskatīšanai un var dažreiz atšķirties no priekšmeta reāla izskata. Bet galvenās īpašības ir vienādas.
Spraudnis
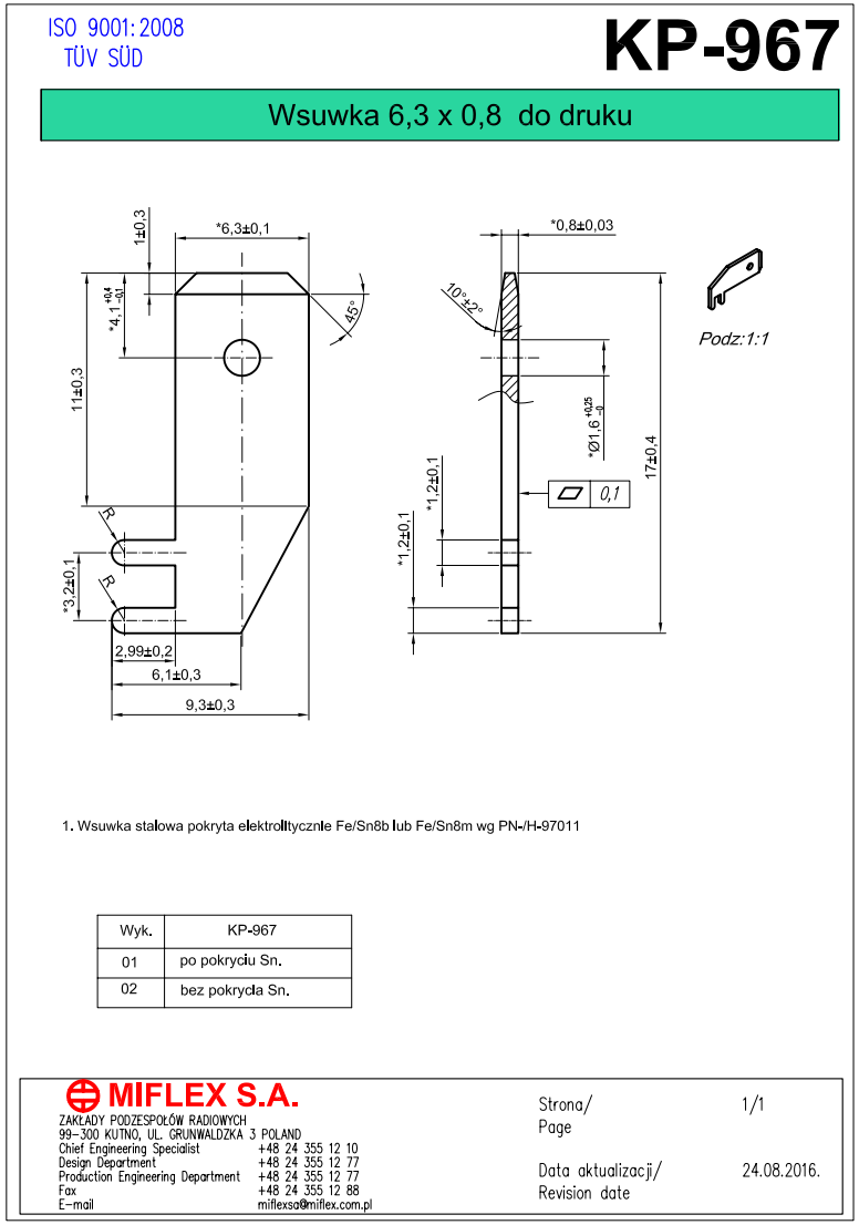
Spaile THT
6.3x0.8mm
Atvērta
SIA "Salvats", Gogola 14,
Riga, LV-1050