


* Produktu fotogrāfijas ir tikai noskatīšanai un var dažreiz atšķirties no priekšmeta reāla izskata. Bet galvenās īpašības ir vienādas.
0.15A/250VDC
3
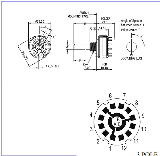
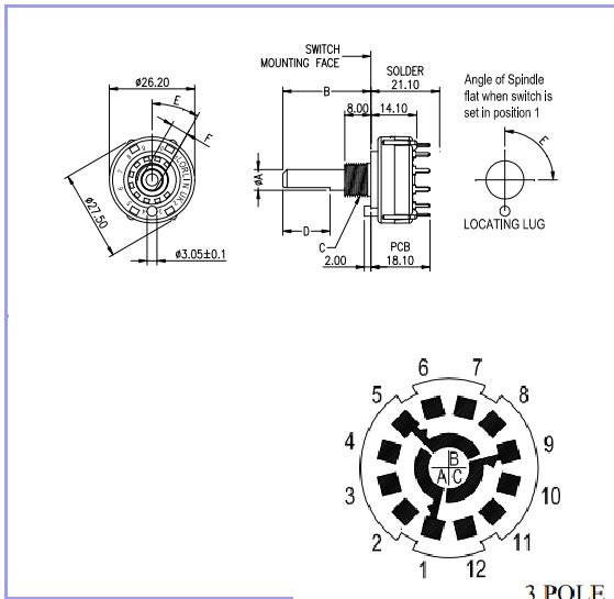
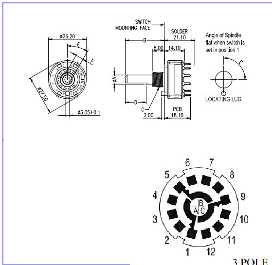
Galetes parslēdzejs
4
SIA "Salvats", Gogola 14,
Riga, LV-1050