

* Produktu fotogrāfijas ir tikai noskatīšanai un var dažreiz atšķirties no priekšmeta reāla izskata. Bet galvenās īpašības ir vienādas.
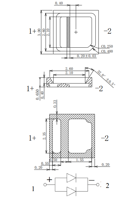
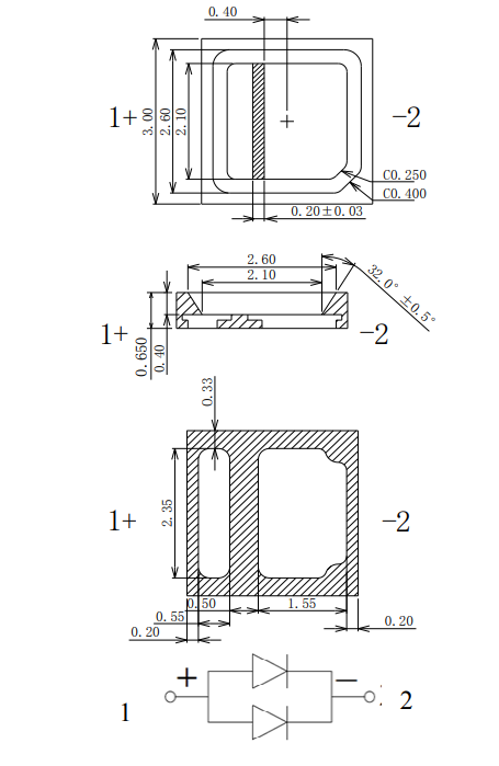
3030
SMD
auksta balta
6000K
140...150lm
2.8...3.6V
350mA
SIA "Salvats", Gogola 14,
Riga, LV-1050