Serdeņfiltrs uz vadu Ø13mm
Serdeņfiltrs uz vadu Ø13mm
Serdeņfiltrs uz vadu Ø13mm Serdeņfiltrs uz vadu Ø13mm

* Produktu fotogrāfijas ir tikai noskatīšanai un var dažreiz atšķirties no priekšmeta reāla izskata. Bet galvenās īpašības ir vienādas.

Serdeņfiltrs uz vadu Ø13mm

Cena: 2.51 €
00001820
FLF-130B
12
  • Apraksts

    • Manufacturer FERROCORE
    • Type of ferrite two-piece
    • Ferrite application on round cable
    • Max. wire diameter 13mm
    • Impedance at 25MHz 105Ω
    • Impedance at 100MHz 170Ω
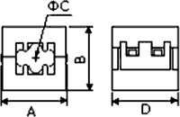
    • A dimension 32.5mm
    • B dimension 30mm
    • C dimension 13mm
    • D dimension 33mm
    • Core material Ni-Zn ferromagnetic
    • Enclosure material polyamide
    • Dimensions paskatīt
    • Ferrite features
    • for mounting on mains cable
    • plastic sheath
    • reduce electromagnetic interference
    • snap fastening enables multiple montage and demontage
    • Papildu informācijas
    • Masa bruto: 83.16 g
    • Oriģināls simbols: FLF-130B

    Parametri

    Papildu dokumentācija

Saistītie produkti