

* Produktu fotogrāfijas ir tikai noskatīšanai un var dažreiz atšķirties no priekšmeta reāla izskata. Bet galvenās īpašības ir vienādas.
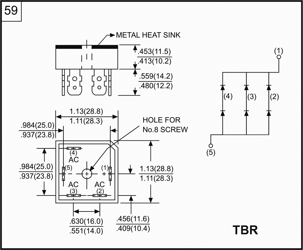
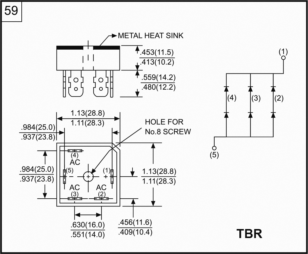
THT
1600V
35A
SIA "Salvats", Gogola 14,
Riga, LV-1050