


* Produktu fotogrāfijas ir tikai noskatīšanai un var dažreiz atšķirties no priekšmeta reāla izskata. Bet galvenās īpašības ir vienādas.
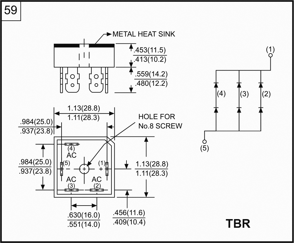
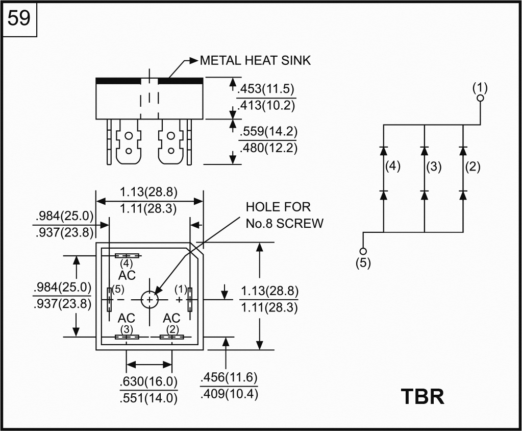
THT
1400V
25A
SIA "Salvats", Gogola 14,
Riga, LV-1050