

* Produktu fotogrāfijas ir tikai noskatīšanai un var dažreiz atšķirties no priekšmeta reāla izskata. Bet galvenās īpašības ir vienādas.
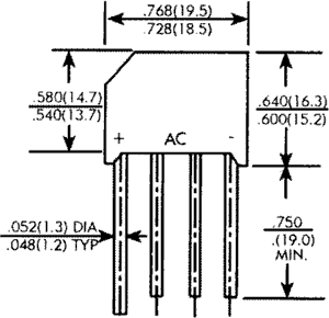
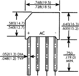
THT
800V
4A
Plakans
SIA "Salvats", Gogola 14,
Riga, LV-1050