


* Produktu fotogrāfijas ir tikai noskatīšanai un var dažreiz atšķirties no priekšmeta reāla izskata. Bet galvenās īpašības ir vienādas.
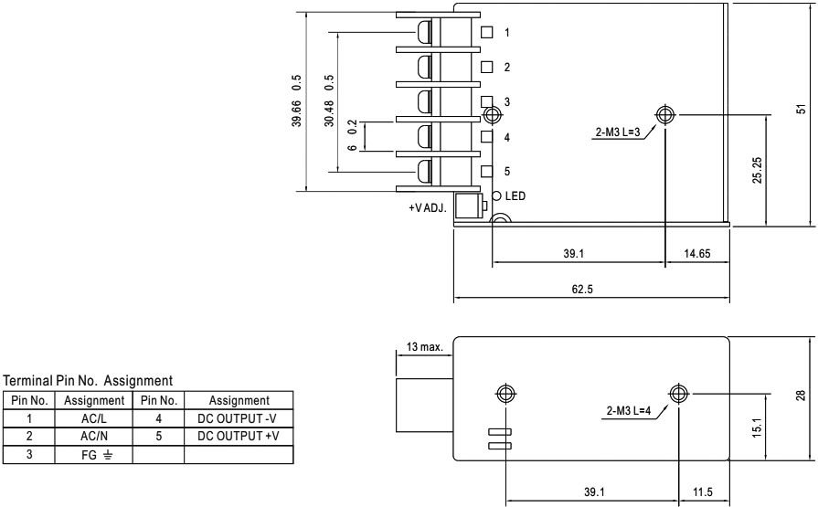
Skrūvju spailes
Modulis
24VDC
0.625A
15W
SIA "Salvats", Gogola 14,
Riga, LV-1050