

* Produktu fotogrāfijas ir tikai noskatīšanai un var dažreiz atšķirties no priekšmeta reāla izskata. Bet galvenās īpašības ir vienādas.
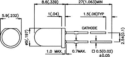
THT
oranža
20mA
2180...4200mcd
1.8...2.6V
SIA "Salvats", Gogola 14,
Riga, LV-1050