

* Produktu fotogrāfijas ir tikai noskatīšanai un var dažreiz atšķirties no priekšmeta reāla izskata. Bet galvenās īpašības ir vienādas.
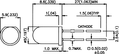
THT
dzeltena
6600...10560mcd
2...2.4V
20mA
SIA "Salvats", Gogola 14,
Riga, LV-1050